使用特點
1.結構簡單、維修方便、振動平穩、噪音低。
2.激振力可以非常簡單的進行無級調節。
3.可以單臺或多臺組合使用,完成各中作業要求。
4.規格齊全、形式多樣,可滿足各類振動機械的工作需要。
5.全封閉結構,可在各類粉塵(無防爆要求)、潮濕等惡劣環境下可靠工作。
6.經特殊設計可用于不同的電壓、頻率、絕緣和防護等級
7.質保期一年。
技術參數:
1、絕緣等級:B/F
2、防護等級:IP55
3、電源電壓:220/380/420V
4、電源頻率:50Hz
5、相級:3相
6、工作方式:連續

型號
|
最大
激振力
(KN)
|
轉速
(Rpm)
|
額定
功率
(Kw)
|
額定
電流
(A)
|
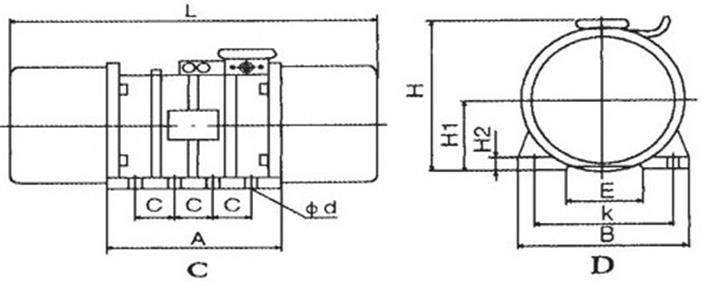
安裝尺寸
(mm)
|
外形尺寸(mm)
|
C
|
k
|
φd
|
L
|
A
|
B
|
E
|
H
|
H1
|
H2
|
圖號
|
0.7-2
|
0.7
|
2860
|
0.075
|
0.24
|
100
|
140
|
9
|
282
|
150
|
170
|
60
|
152
|
70
|
20
|
AD
|
1.5-2
|
1.5
|
2860
|
0.15
|
0.4
|
100
|
150
|
13
|
302
|
150
|
180
|
70
|
176
|
85
|
20
|
AD
|
2.5-2
|
2.5
|
2860
|
0.25
|
0.58
|
100
|
150
|
13
|
312
|
150
|
180
|
70
|
176
|
85
|
20
|
AD
|
5-2
|
5
|
2860
|
0.40
|
1.02
|
100
|
200
|
16
|
350
|
180
|
250
|
150
|
230
|
120
|
25
|
AD
|
8-2
|
8
|
2860
|
0.75
|
1.76
|
135
|
230
|
18
|
407
|
245
|
280
|
130
|
276
|
140
|
25
|
AD
|
10-2
|
10
|
2860
|
1.1
|
2.56
|
135
|
230
|
18
|
425
|
245
|
280
|
130
|
276
|
140
|
25
|
AD
|
16-2
|
16
|
2860
|
1.5
|
3.7
|
190
|
260
|
22
|
514
|
300
|
310
|
140
|
327
|
170
|
25
|
AD
|
20-2
|
20
|
2860
|
1.8
|
4.26
|
190
|
260
|
22
|
544
|
300
|
310
|
140
|
327
|
170
|
25
|
AD
|
30-2
|
30
|
2860
|
3
|
7.6
|
190
|
260
|
26
|
550
|
300
|
310
|
140
|
327
|
170
|
25
|
AD
|
1.2-4
|
1.2
|
1460
|
0.10
|
0.34
|
100
|
150
|
13
|
302
|
150
|
180
|
70
|
176
|
85
|
20
|
AD
|
2.5-4
|
2.5
|
1460
|
0.10
|
0.34
|
100
|
150
|
13
|
320
|
150
|
180
|
70
|
176
|
85
|
20
|
AD
|
5-4
|
5
|
1460
|
0.25
|
0.65
|
100
|
200
|
16
|
374
|
180
|
250
|
150
|
230
|
120
|
25
|
AD
|
8-4
|
8
|
1460
|
0.40
|
1.16
|
135
|
230
|
18
|
417
|
245
|
280
|
130
|
276
|
140
|
25
|
AD
|
10-4
|
10
|
1460
|
0.55
|
1.59
|
135
|
230
|
18
|
437
|
245
|
280
|
130
|
276
|
140
|
25
|
AD
|
16-4
|
16
|
1460
|
0.75
|
1.91
|
140
|
260
|
22
|
454
|
250
|
310
|
140
|
327
|
170
|
25
|
AD
|
20-4
|
20
|
1460
|
1.1
|
2.81
|
140
|
260
|
22
|
454
|
250
|
310
|
140
|
327
|
170
|
25
|
AD
|
25-4
|
25
|
1460
|
1.5
|
3.84
|
190
|
260
|
26
|
500
|
300
|
310
|
140
|
327
|
170
|
25
|
AD
|
32-4
|
32
|
1460
|
2
|
4.69
|
190
|
260
|
26
|
520
|
300
|
310
|
140
|
327
|
170
|
25
|
AD
|
40-4
|
40
|
1460
|
2.2
|
5.1
|
220
|
320
|
32
|
550
|
340
|
400
|
170
|
420
|
170
|
25
|
AD
|
50-4
|
50
|
1460
|
2.5
|
6.3
|
220
|
320
|
32
|
590
|
340
|
400
|
170
|
420
|
225
|
30
|
AD
|
75-4
|
75
|
1460
|
4
|
10.18
|
135
|
380
|
32
|
806
|
470
|
480
|
270
|
456
|
230
|
35
|
BD
|
100-4
|
100
|
1460
|
6
|
15.8
|
135
|
380
|
32
|
870
|
470
|
480
|
270
|
456
|
230
|
35
|
BD
|
120-4
|
120
|
1460
|
8
|
19.6
|
118
|
460
|
38
|
904
|
520
|
550
|
340
|
508
|
260
|
38
|
CD
|
140-4
|
140
|
1460
|
10
|
24.16
|
118
|
460
|
38
|
980
|
520
|
550
|
340
|
508
|
260
|
38
|
CD
|
160-4
|
160
|
1460
|
12
|
28.5
|
120
|
510
|
45
|
1000
|
520
|
610
|
360
|
533
|
270
|
40
|
CD
|
2.5-6
|
2.5
|
980
|
0.2
|
0.71
|
100
|
200
|
16
|
365
|
180
|
250
|
150
|
230
|
120
|
25
|
AD
|
5-6
|
5
|
980
|
0.4
|
1.23
|
100
|
200
|
16
|
400
|
180
|
250
|
150
|
230
|
120
|
25
|
AD
|
8-6
|
10
|
980
|
0.55
|
1.68
|
135
|
230
|
18
|
457
|
245
|
280
|
130
|
276
|
140
|
25
|
AD
|
10-6
|
10
|
980
|
0.75
|
2.3
|
135
|
230
|
18
|
457
|
245
|
280
|
130
|
276
|
140
|
25
|
AD
|
16-6
|
16
|
980
|
1.1
|
3.35
|
140
|
260
|
22
|
438
|
250
|
310
|
140
|
327
|
170
|
25
|
AD
|
18-6
|
18
|
980
|
1.1
|
3.65
|
140
|
260
|
22
|
430
|
250
|
310
|
140
|
327
|
170
|
25
|
AD
|
20-6
|
20
|
980
|
1.5
|
3.8
|
140
|
260
|
22
|
454
|
250
|
310
|
140
|
327
|
170
|
25
|
AD
|
26-6
|
26
|
980
|
1.9
|
4.8
|
140
|
260
|
22
|
490
|
250
|
310
|
140
|
327
|
170
|
25
|
AD
|
30-6
|
30
|
980
|
2.2
|
5.52
|
160
|
320
|
32
|
502
|
290
|
390
|
190
|
380
|
200
|
28
|
AD
|
40-6
|
40
|
980
|
3
|
7.7
|
160
|
320
|
32
|
536
|
290
|
390
|
190
|
380
|
200
|
28
|
AD
|
50-6
|
50
|
980
|
3.7
|
9.8
|
220
|
320
|
32
|
590
|
340
|
400
|
170
|
420
|
225
|
30
|
AD
|
75-6
|
75
|
980
|
5.5
|
13.3
|
135
|
380
|
32
|
806
|
470
|
480
|
270
|
456
|
230
|
35
|
BD
|
100-6
|
100
|
980
|
7.5
|
18
|
135
|
380
|
32
|
900
|
470
|
480
|
270
|
456
|
230
|
35
|
BD
|
120-6
|
120
|
980
|
9
|
23
|
118
|
460
|
38
|
904
|
520
|
550
|
340
|
508
|
260
|
38
|
CD
|
130-6
|
130
|
980
|
10
|
25
|
118
|
460
|
38
|
950
|
520
|
550
|
340
|
508
|
260
|
38
|
CD
|
140-6
|
140
|
980
|
12
|
28.5
|
118
|
460
|
38
|
980
|
520
|
550
|
340
|
508
|
260
|
38
|
CD
|
150-6
|
150
|
980
|
13
|
31
|
118
|
460
|
38
|
1000
|
520
|
550
|
340
|
508
|
260
|
38
|
CD
|
160-6
|
160
|
980
|
14
|
32
|
120
|
510
|
45
|
1000
|
520
|
610
|
360
|
533
|
270
|
40
|
CD
|
180-6
|
180
|
980
|
16
|
36
|
120
|
510
|
45
|
1300
|
520
|
610
|
360
|
533
|
270
|
40
|
CD
|